Kluzný třmen otočný oboustranný s kladkou (rolnou)
Detailní popis produktu
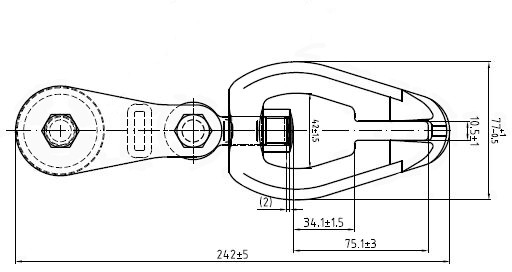
Otočný oboustranný kluzný třmen s kladkou je vhodný pro spojení řetězu a ocelového lana. Jeden konec obsahuje kladku, neboli rolnu. Díky tomu je mnohem šetrnější při pohybu po laně a je možné ho použít do oka na konec lana. Jedná se o oboustranně použitelný typ kluzného třmenu, to znamená, že je jedno, ze které strany se řetěz vloží do kluzáku.
Kluzák obsahuje matici, díky které můžete lanový kluzný třmen kdykoliv povolit a namontovat na libovolné místo na laně. Pomocí kluzných třmenů lze přibližovat a stahovat více kmenů nebo větví najednou.


| Pro řetěz Ø | Tažná síla (t) | Hmotnost (kg/ks) |
|---|---|---|
| 7 / 8 | 4 | 1,34 |
Doplňkové parametry
| Kategorie: | Kluzné třmeny |
|---|---|
| Pro řetěz: | 7/8 mm |
Buďte první, kdo napíše příspěvek k této položce.
Přidat komentář
